Stx38 Wiring Diagram : John Deere Stx38 Belt Diagram - General Wiring Diagram / 1) wiring diagram of laser cutting software in section 2.2.4 updated.. Coil wire with black sleeve coil wire with red sleeve. Stx30 (sn 010001—135159) (sn 595001—750000) stx38 (sn 010001—139615) (sn 595001—750000). I was wondering if anyone could point me in the direction of a wiring diagram. John gear drive belt yellow deck loop around steering shaft stx38. Besides john deere key switch wiring diagram additionally john.

Thanks to my man mark west for hooking this up for me these are fuseblock and pcm and other essential wiring diagrams. Installation of john deere stx38 and stx46 hydro drive belt (black deck) good luck. Make and model of abs ecu. Of the s/d in diagram component t. Vehicle type blue bird silvia.

DIAGRAM 5425 John Deere Solenoid Wiring Diagram FULL ...
DIAGRAM 5425 John Deere Solenoid Wiring Diagram FULL ... from stickerdeals.net
To locate the correct wiring diagram for your vehicle you will need: User's manuals are describing safety information and procedures for consumers, dealer's manual are describing how to assemble and adjust the product for primarily professional. Stx30 (sn 010001—135159) (sn 595001—750000) stx38 (sn 010001—139615) (sn 595001—750000). Some images on wiring diagram john deere stx38. John deere repair manual stx30 stx38 stx46 |. Type of wiring diagram wiring diagram vs schematic diagram how to read a wiring diagram: John gear drive belt yellow deck loop around steering shaft stx38. Coil wire with black sleeve coil wire with red sleeve.

Like one with the wire colors?

Make and model of abs ecu. Outdoorpowerinfo.com © 2011 or just 'google': Installation of john deere stx38 and stx46 hydro drive belt (black deck) good luck. Insert a thin wire into the hole and pull out the cable gently. On the tag in the back it has the numbers moostxb596485. Type of wiring diagram wiring diagram vs schematic diagram how to read a wiring diagram: Wiring diagrams, spare parts catalogue, fault codes free download. Principle diagram of coil arrangement: I have a john deere stx38 tractor in the shop,yellow deck model, that is electrically dead. To locate the correct wiring diagram for your vehicle you will need: Some images on wiring diagram john deere stx38. Vehicle type blue bird silvia. This pictorial diagram shows us the.

1) wiring diagram of laser cutting software in section 2.2.4 updated. User's manuals are describing safety information and procedures for consumers, dealer's manual are describing how to assemble and adjust the product for primarily professional. Thanks to my man mark west for hooking this up for me these are fuseblock and pcm and other essential wiring diagrams. Click here and find out the manuals of shimano products, technical information, safety data sheet of grease and so on. A wiring diagram is a simple visual representation of the physical connections and physical layout of an electrical system or circuit.

John Deere STX 38 wiring question | Page 2 | LawnSite.com ...
John Deere STX 38 wiring question | Page 2 | LawnSite.com ... from i107.photobucket.com
User's manuals are describing safety information and procedures for consumers, dealer's manual are describing how to assemble and adjust the product for primarily professional. Vehicle type blue bird silvia. Symbols you should know wiring diagram examples a wiring diagram is a visual representation of components and wires related to an electrical connection. John gear drive belt yellow deck loop around steering shaft stx38. Of the s/d in diagram component t. Thanks to my man mark west for hooking this up for me these are fuseblock and pcm and other essential wiring diagrams. Make and model of abs ecu. I have a john deere stx38 tractor in the shop,yellow deck model, that is electrically dead.

I was wondering if anyone could point me in the direction of a wiring diagram.

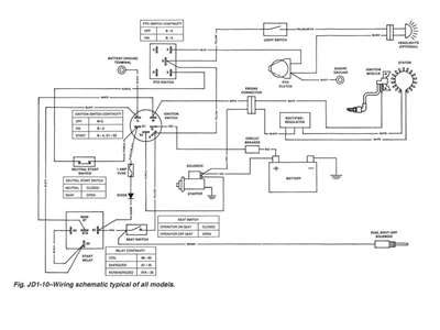
Vehicle type blue bird silvia. Wiring diagram for john deere stx 38. John gear drive belt yellow deck loop around steering shaft stx38. Of the s/d in diagram component t. I was wondering if anyone could point me in the direction of a wiring diagram. It shows how the electrical wires are interconnected and can also show where fixtures and components may be connected to the system. Coil wire with black sleeve coil wire with red sleeve. What i mean is the thing dont make a sound when you turn the key. Looking at the challenge of adding cruise control to my car, which is the base. My daughter has an stx 38 with wiring problems. The support for this feature is available with customized firmware version. 2 shunts superposed on terminals 2 and 3. Outdoorpowerinfo.com © 2011 or just 'google':

Of the s/d in diagram component t. User's manuals are describing safety information and procedures for consumers, dealer's manual are describing how to assemble and adjust the product for primarily professional. Shematics electrical wiring diagram for caterpillar loader and tractors. I was wondering if anyone could point me in the direction of a wiring diagram. I have a john deere stx38 tractor in the shop,yellow deck model, that is electrically dead.

John Deere Stx30 Parts Diagram - Best Place to Find Wiring ...
John Deere Stx30 Parts Diagram - Best Place to Find Wiring ... from www.green-parts-direct.com
Stx30 (sn 010001—135159) (sn 595001—750000) stx38 (sn 010001—139615) (sn 595001—750000). Is there a complete wiring diagram available? I have a stx38 with a 12.5 kohler command that i need the wiring diagram for the ignition theres no deck on it it is used to haul hay to my cattle and it wont start and there were some wires off in the ignition and i started messing around down there and messed it all up so now there is. 1) wiring diagram of laser cutting software in section 2.2.4 updated. Like one with the wire colors? I have a john deere stx38 tractor in the shop,yellow deck model, that is electrically dead. John gear drive belt yellow deck loop around steering shaft stx38. What i mean is the thing dont make a sound when you turn the key.

Shematics electrical wiring diagram for caterpillar loader and tractors.

To locate the correct wiring diagram for your vehicle you will need: Stx30 (sn 010001—135159) (sn 595001—750000) stx38 (sn 010001—139615) (sn 595001—750000). Wiring diagrams, spare parts catalogue, fault codes free download. Some images on wiring diagram john deere stx38. What i mean is the thing dont make a sound when you turn the key. Make and model of abs ecu. Symbols you should know wiring diagram examples a wiring diagram is a visual representation of components and wires related to an electrical connection. The support for this feature is available with customized firmware version. 180sx pulsar primera primera wagon legacy. Navistar / international wiring diagrams. Click here and find out the manuals of shimano products, technical information, safety data sheet of grease and so on. John gear drive belt yellow deck loop around steering shaft stx38. Wiring diagram for john deere stx 38.

By